关于我们|联系我们您好,欢迎访问我们的官方网站,我们将竭诚为您服务!
致力于集成电路应用方案开发和销售服务提供高效能,低功耗,品质稳定的集成电路产品
全国咨询热线:0755-23600231
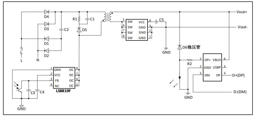
您的位置:主页  > 产品展示  > 其他品牌  > LS8819F   SOP8 15W

LS8819F   SOP8 15W

在线咨询全国热线
0755-23600231
在线客服
联系方式

公司电话

0755-23600231

二维码
线