一、GP8892EH 核心特点
1、集成度高,外围精简内置功率三极管、FB 下偏电阻(12KΩ)、CS 采样电阻及环路补偿电路,无需额外补偿元件,减少外围器件数量。

2、性能精准稳定支持自供电原边反馈,恒压 / 恒流精度高,待机功耗≤75mW;特有可调输出线损补偿(最大 4%),可抵消导线压降。
3、保护全面可靠含开路、输出短路、过压、欠压、过温(155℃触发,123℃恢复)保护,及次级肖特基短路保护,还具备单周期最大电流关断机制,避免三极管过流失效。
二、替代 MT3723AS 核心依据
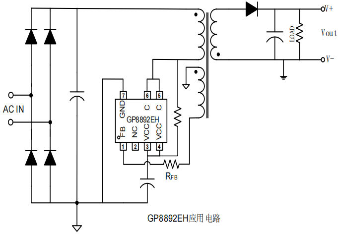
1、基础参数完全兼容均为 SOP7 封装、10W 内应用、自供电原边反馈架构,待机功耗≤75mW,内置功率三极管与 CS 采样电阻。且管脚功能一致,无需改动PCB.

2、性能更优补短板MT3723AS 为固定线损补偿,GP8892EH 支持可调补偿(最大 4%),输出电压适配性更强;GP8892EH 多次级肖特基短路保护,防护比 MT3723AS 更全面。


结论:应用无缝衔接两者均适用于充电器、适配器、LED 驱动电源等场景,GP8892EH 无需调整研发设计、生产产线,可直接替换。




